I frequently have models that are organized in/by what I call a Master Site model/file. This file is the Parent in the shared coordinate relationship for all the children/siblings models/buildings that I link into it.
When model positions are changed in this parent file I find it is sometimes (often) necessary to use Publish Coordinates on all the linked models, even those that have not been altered. I've observed inconsistent results where sometimes the location of a linked sibling does not adjust (update) when viewed (as a link) within another sibling model. Using Publish Coordinates seems to force these linked files to refresh properly when a model is opened, even though it might seem unnecessary for those that didn't change.
As such, it is possible that seeing other linked files appearing to be out of alignment for this reason may motivate us to try to reset everything. Pause, breathe...try using Publish Coordinates on all the links first.
Welcome to Steve Stafford's Blog ~ Revit OpEd = OPinion EDitorial ~ My view of things Revit, both real and imagined.
Thursday, November 24, 2016
Tuesday, November 22, 2016
Add a Comment using Synchronize and Modify Settings
Whenever we need to use Synchronize with Central (SwC) I advocate for using the button for Synchronize and Modify Settings every time.
Doing so allows Revit to present us with the Synchronize with Central dialog.
I encourage everyone to take a moment and type a brief description in the Comment field provided. What motivated you to use SwC just now? That's the gist of what should be recorded there. I find that people are more receptive to making a habit of it once they see it can prove to be very useful to just about everyone working on the project.
We can review the comments anytime we choose to, even if we don't have a project open yet. That means that anyone who can at least fire up Revit can review project comments even if they don't really need to do any work in Revit.
Yes, the Show History button on Collaborate ribbon is awake even if no project is open. Click Show History, browse to the location of the relevant Central File and click Open. The comments are presented to us like this.
I doubt it is hard to imagine how having everyone on the project team recording comments (time stamp and username are stored automatically too) can be helpful for diagnosing issues, checking the status of tasks, and even a quick review of user activity on a given project file. It will also become obvious who isn't playing along pretty quickly.
I also recommend that we never use the other button for Synchronize Now (that's why I put the red X on it in the image above). It doesn't present the dialog so there is no opportunity to store a comment and equally important is that is does not relinquish User Created worksets automatically.
If you pay close attention you'll notice that all of the other kinds of worksets are automatically checked when the Synchronize and Modify Settings dialog is open. Those other worksets are relinquished with Synchronize Now, not User Created worksets though. If you use Synchronize Now and you've ever been accused of retaining ownership of these worksets...that's likely why.
If it helps:
Green Arrows in Circle SwC = Good!!
Lighting Bolt SwC = Not Good!!
If you're interested in taking a peek at Kinship's features you'll find that these comments can be reviewed at will with just a browser.
Doing so allows Revit to present us with the Synchronize with Central dialog.
I encourage everyone to take a moment and type a brief description in the Comment field provided. What motivated you to use SwC just now? That's the gist of what should be recorded there. I find that people are more receptive to making a habit of it once they see it can prove to be very useful to just about everyone working on the project.
We can review the comments anytime we choose to, even if we don't have a project open yet. That means that anyone who can at least fire up Revit can review project comments even if they don't really need to do any work in Revit.
Yes, the Show History button on Collaborate ribbon is awake even if no project is open. Click Show History, browse to the location of the relevant Central File and click Open. The comments are presented to us like this.
I doubt it is hard to imagine how having everyone on the project team recording comments (time stamp and username are stored automatically too) can be helpful for diagnosing issues, checking the status of tasks, and even a quick review of user activity on a given project file. It will also become obvious who isn't playing along pretty quickly.
I also recommend that we never use the other button for Synchronize Now (that's why I put the red X on it in the image above). It doesn't present the dialog so there is no opportunity to store a comment and equally important is that is does not relinquish User Created worksets automatically.
If you pay close attention you'll notice that all of the other kinds of worksets are automatically checked when the Synchronize and Modify Settings dialog is open. Those other worksets are relinquished with Synchronize Now, not User Created worksets though. If you use Synchronize Now and you've ever been accused of retaining ownership of these worksets...that's likely why.
If it helps:
Green Arrows in Circle SwC = Good!!
Lighting Bolt SwC = Not Good!!
If you're interested in taking a peek at Kinship's features you'll find that these comments can be reviewed at will with just a browser.
Wednesday, November 16, 2016
Kinship and Autodesk University
My friends Jose Fandos and Gary Sprague have been working tirelessly to develop a product they call Kinship. It offers an intelligent way to organize, search for and place Revit content and even more compelling to me is the project insight it can provide us. After a couple years of private testing they are opening things up for real.
They were kind enough to invite me along with them to Autodesk University (AU) this year. If you are attending AU please stop by to say hello and find out more about Kinship. If you're not here at AU then let me encourage you to visit their site to learn more.
They were kind enough to invite me along with them to Autodesk University (AU) this year. If you are attending AU please stop by to say hello and find out more about Kinship. If you're not here at AU then let me encourage you to visit their site to learn more.
Friday, November 04, 2016
Multi-Discipline Shared Coordinates
In the past I've written that using or invoking Shared Coordinates is not required to keep project files aligned with each other. It only becomes an issue or necessary when each discipline's files are expected to align with models that are produced with software other than Revit and then viewed with other software like Navisworks.
It's my observation that the most common reason for invoking shared coordinates is trying to orient models with the site conditions. Civil and survey data doesn't come from Revit so that practically guarantees that the architectural model will need to deal with shared coordinates. It's only slightly less guaranteed that the other trades have to deal with it.
I briefly dealt with (a short summary) the inter-disciplinary relationship before in the second of these TWO POSTS and it's reasonable advice until the architecture team has to move their model again, relative to the site model. The Master Site and Building Model linked file strategy I prefer becomes tedious when the building has to be relocated; tedious more so for the other trades remaining aligned with the architecture model that is.
The root issue for this tediousness is the Acquire Coordinates tool. Once the trades use it on the architectural linked model any changes to the building location don't propagate to the trade's models well. The position of the architectural model shifts being respectful of the shared coordinate relationship instead of ignoring that and remaining in the same position based on the Project Origin, the way it was linked to begin with.
Coping with this tediousness, we can fix the alignment of models after the building has been moved by taking these steps:
The most important thing to do is mark a known location in the architectural model so the trades can adjust the location of their own Survey Point and then use the Specify Coordinates at Point (SCaP) tool. By known I mean, the North/South and East/West coordinates based on the survey data.
When the architecture model is relocated on the site the new Survey Point information needs to be captured to pass along to the team. In the images that follow I've used the same model (Tiny House) I used in the posts I provided links for at the beginning of the third paragraph.
In the following image we see a first pass at the location of Tiny House A. This image is taken from within the Tiny House A model after having used Publish Coordinates on it from within the Master Site model. In Tiny House A I opened the Location Weather and Site dialog to capture the rotation of the model (wrote it down). The coordinates I'm using are based on coordinates defined or determined in the survey by looking at the corner of the property boundary. In this example I made them up so the coordinate values were easy to remember.
Imagine now that the HVAC designer has already linked the architectural model into their own project using positioning option: Auto - Origin to Origin and started working.
The reference plane cross-hairs you can see under the Survey Point in the image that follows are in the architectural model. That's what I used to mark the corner of the survey's property boundary so I'd be able to tell the HVAC designer where that location is. Yes, I linked the Master Site model into the architectural model so I could see that location to mark it.
Earlier while preparing to start work they moved their Survey Point (un-clipped) to the intersection of my reference planes. Then using the coordinate values and rotation information I also sent them they use the SCaP tool to define the shared coordinate relationship it should have relative to site and the building (see following image).
In this case we also need to enter the elevation of 20'-0" because the building has been raised that much in the site model. Keep in mind that we will find that the building and HVAC model both are still at the project elevation of 0'-0". The shared coordinate relationship is where this elevation is defined.
Now we need to imagine that something caused the architecture team to decide the building must be in a different location. The model was moved in the Master Site file and its new location saved when prompted. Now I've opened up the Tiny House model again and I can see where the Tiny House is. I capture the rotation values like I did before. I moved the Survey Point (un-clipped) even though it wasn't necessary. I do need to move the reference planes to mark where the common benchmark is located now.
I've posted the revised building model for the HVAC designer and sent them the new rotation information. The coordinates of the benchmark remain the same...the site hasn't changed after all, just the building's location relative to the site. Using SCaP they enter the new information after moving the Survey Point (un-clipped) to the intersection of the reference planes.
From all three models (architecture, HVAC and site), I've exported NWC files from Revit for use in Navisworks to see how they line up. In the first design iteration they were all on the other side of the site and in this image I can see they (building and HVAC) have moved together to the new location. I've hidden the wall and roof so the duct is visible. The green sub-region is just to mark the property boundary.
If the design requires the building to be moved again, once it has been moved in the Master Site file it is just necessary to repeat the adjustments I've described. This way each discipline's models stay aligned with each other based on using the positioning option: Auto - Origin to Origin.
A summary of the process:
The architecture team is in charge of positioning and they:
Trades take the following steps:
It is important to note that ALL of the above is biased for separate firms managing model relationships.
When all the trades work in one firm the Acquire and Publish Coordinates tools work better because all the files belong to us and we have concurrent access to them on our network. This allows us to link trade models to the architecture model and then use Publish Coordinates to pass along the information we have to manually keep in sync using the approach described above.
In the single firm the process and position logic can play out like this:
Files:
It's my observation that the most common reason for invoking shared coordinates is trying to orient models with the site conditions. Civil and survey data doesn't come from Revit so that practically guarantees that the architectural model will need to deal with shared coordinates. It's only slightly less guaranteed that the other trades have to deal with it.
I briefly dealt with (a short summary) the inter-disciplinary relationship before in the second of these TWO POSTS and it's reasonable advice until the architecture team has to move their model again, relative to the site model. The Master Site and Building Model linked file strategy I prefer becomes tedious when the building has to be relocated; tedious more so for the other trades remaining aligned with the architecture model that is.
The root issue for this tediousness is the Acquire Coordinates tool. Once the trades use it on the architectural linked model any changes to the building location don't propagate to the trade's models well. The position of the architectural model shifts being respectful of the shared coordinate relationship instead of ignoring that and remaining in the same position based on the Project Origin, the way it was linked to begin with.
Coping with this tediousness, we can fix the alignment of models after the building has been moved by taking these steps:
- Remove the architectural link
- Reset shared coordinates
- Link the architectural file again
- Use Acquire Coordinates again
The most important thing to do is mark a known location in the architectural model so the trades can adjust the location of their own Survey Point and then use the Specify Coordinates at Point (SCaP) tool. By known I mean, the North/South and East/West coordinates based on the survey data.
When the architecture model is relocated on the site the new Survey Point information needs to be captured to pass along to the team. In the images that follow I've used the same model (Tiny House) I used in the posts I provided links for at the beginning of the third paragraph.
In the following image we see a first pass at the location of Tiny House A. This image is taken from within the Tiny House A model after having used Publish Coordinates on it from within the Master Site model. In Tiny House A I opened the Location Weather and Site dialog to capture the rotation of the model (wrote it down). The coordinates I'm using are based on coordinates defined or determined in the survey by looking at the corner of the property boundary. In this example I made them up so the coordinate values were easy to remember.
Imagine now that the HVAC designer has already linked the architectural model into their own project using positioning option: Auto - Origin to Origin and started working.
The reference plane cross-hairs you can see under the Survey Point in the image that follows are in the architectural model. That's what I used to mark the corner of the survey's property boundary so I'd be able to tell the HVAC designer where that location is. Yes, I linked the Master Site model into the architectural model so I could see that location to mark it.
Earlier while preparing to start work they moved their Survey Point (un-clipped) to the intersection of my reference planes. Then using the coordinate values and rotation information I also sent them they use the SCaP tool to define the shared coordinate relationship it should have relative to site and the building (see following image).
In this case we also need to enter the elevation of 20'-0" because the building has been raised that much in the site model. Keep in mind that we will find that the building and HVAC model both are still at the project elevation of 0'-0". The shared coordinate relationship is where this elevation is defined.
Now we need to imagine that something caused the architecture team to decide the building must be in a different location. The model was moved in the Master Site file and its new location saved when prompted. Now I've opened up the Tiny House model again and I can see where the Tiny House is. I capture the rotation values like I did before. I moved the Survey Point (un-clipped) even though it wasn't necessary. I do need to move the reference planes to mark where the common benchmark is located now.
I've posted the revised building model for the HVAC designer and sent them the new rotation information. The coordinates of the benchmark remain the same...the site hasn't changed after all, just the building's location relative to the site. Using SCaP they enter the new information after moving the Survey Point (un-clipped) to the intersection of the reference planes.
From all three models (architecture, HVAC and site), I've exported NWC files from Revit for use in Navisworks to see how they line up. In the first design iteration they were all on the other side of the site and in this image I can see they (building and HVAC) have moved together to the new location. I've hidden the wall and roof so the duct is visible. The green sub-region is just to mark the property boundary.
If the design requires the building to be moved again, once it has been moved in the Master Site file it is just necessary to repeat the adjustments I've described. This way each discipline's models stay aligned with each other based on using the positioning option: Auto - Origin to Origin.
A summary of the process:
The architecture team is in charge of positioning and they:
- Create Master Site
- Link Building
- Position, orient and elevate the building (or Reposition)
- Publish Coordinates (or Save Change)
- Identify a bench mark in the building model (or adjust to mark new location)
- Capture (record) and then provide coordinates and rotation/bearing information
- Share model with trades
Trades take the following steps:
- Link architecture model using Auto - Origin to Origin
- Place un-clipped Survey Point at agreed upon bench mark
- Enter Coordinates and Rotation (bearing) using SCaP
It is important to note that ALL of the above is biased for separate firms managing model relationships.
When all the trades work in one firm the Acquire and Publish Coordinates tools work better because all the files belong to us and we have concurrent access to them on our network. This allows us to link trade models to the architecture model and then use Publish Coordinates to pass along the information we have to manually keep in sync using the approach described above.
In the single firm the process and position logic can play out like this:
Files:
- Master Site > Acquire Coordinates from Site/Survey
- Master Site > Publish Coordinates to Architecture Model
- Architecture Model > Publish Coordinates to Trade Models
- Master Site - Survey positioned using Auto - Center to Center
- Master Site - Architecture Model positioned manually
- Architecture Model to Trade Models positioned Auto - Origin to Origin
- Trade Models to Architecture Model positioned Auto - Origin to Origin
Friday, October 28, 2016
Structural Plan View - Column Symbolic Offset
From the Dept. of Subtle we only find this parameter in Structural Plan views.
The help documentation says we can use this to "Specify the offset of a beam join to a slanted structural column. This only applies to coarse detail levels.". I've mocked up some framing to see what it does.
In this next image I've changed the offset value to 5'-0". You'll notice that the column symbol moved down toward the bottom of the column.
In this next image I've changed the offset value to -5'-0". You'll notice that the column symbol moved up toward the top of the column.
If a column doesn't pass beyond the view's level a negative value doesn't do anything to change that column's symbol location. Pretty subtle...
The help documentation says we can use this to "Specify the offset of a beam join to a slanted structural column. This only applies to coarse detail levels.". I've mocked up some framing to see what it does.
In this next image I've changed the offset value to 5'-0". You'll notice that the column symbol moved down toward the bottom of the column.
In this next image I've changed the offset value to -5'-0". You'll notice that the column symbol moved up toward the top of the column.
If a column doesn't pass beyond the view's level a negative value doesn't do anything to change that column's symbol location. Pretty subtle...
Tuesday, October 25, 2016
Load and Place a Family
Perhaps it isn't obvious enough but Revit is designed to deal with loading and placing a family according to context determined by our actions. Did we start a placement process or an admin process?
The component tools like Door, Window, Component, Detail Component, Air Terminal and so on provide Revit with placement context. The Insert ribbon tool Load Family is an administrative task which does not presume placement as a priority.
IF we start the Component > Place a Component tool first. Choose Load Family from the ribbon. In this context Revit knows we intend to place something but using Load Family tells it we need something that isn't already loaded in the project yet. If we choose to load multiple families it is ambiguous to Revit so it chooses for us which family to offer as the family to place now.
When we use Insert ribbon > Load from Library > Load Family separately it is regarded as an administrative task, i.e. "I need to load some things so they are available to everyone." Personally I have had many situations where I need to load families in this way, not place them immediately. If I do want to place a loaded family right away then I start the Component (or Door, Window etc.) tool first.
The component tools like Door, Window, Component, Detail Component, Air Terminal and so on provide Revit with placement context. The Insert ribbon tool Load Family is an administrative task which does not presume placement as a priority.
IF we start the Component > Place a Component tool first. Choose Load Family from the ribbon. In this context Revit knows we intend to place something but using Load Family tells it we need something that isn't already loaded in the project yet. If we choose to load multiple families it is ambiguous to Revit so it chooses for us which family to offer as the family to place now.
When we use Insert ribbon > Load from Library > Load Family separately it is regarded as an administrative task, i.e. "I need to load some things so they are available to everyone." Personally I have had many situations where I need to load families in this way, not place them immediately. If I do want to place a loaded family right away then I start the Component (or Door, Window etc.) tool first.
Thursday, October 20, 2016
Revit Roadmap
Autodesk's Sasha Crotty discussed the big picture for Revit's development at RTC in Porto. Sasha is the current Revit Core Product Manager which means (from her bio) she is responsible for the direction and evolution of Revit's multi-disciplinary tools, performance, and the API.
If you're curious about that you can check out her post HERE.
If you're curious about that you can check out her post HERE.
Tuesday, October 18, 2016
The Family has been Renamed
This warning message is probably familiar, troublesome and annoying.
I was reading a couple threads at RFO; THIS ONE and THAT ONE.
Apart from workset related issues I've written about before, I believe the underlying cause of renaming is that Revit perceives a family as different. That's not very surprising but I think that the actual difference is the result of different versions (2016 vs 2017) or having Save As used on the family (to put it in a different folder)...AND any operation that involves Copy/Paste, which includes the Insert from File tools.
When Load from Library > Load Family is used I only see it occur when worksets are being used (see the links at end of this post). The families merely having some different parameters (either instance or type) generates the dialog asking how we want to deal with the existing definition.
Using Revit 2017.1 and passing a family from one project to another I observed the following:
Family is renamed but no warning message:
If the family being introduced is an older version (upgraded) of one already in the model
If the family is same version but has had Save As used on it, i.e., to put it in a new folder location
Family is renamed and the warning appears:
If the family is an older version or Save As version AND Insert from File is used
Family is not renamed:
If the Family is copied from same library folder to a new folder
If the Family is from the same library folder
If the Family (existing) is reloaded from older version before using Copy/Paste or Insert from File.
The issue can be avoided if we are meticulous about using families from the same library and version. If we load office details from a detail library project file using Insert from File and the families (some or all) involved are based on older versions while newer versions are already present in the project we'll incur the renaming penalty.
The detail library should be updated, have the newer versions loaded first so they will be the same as those in the active project. If we need to keep the detail library in more than one version then we'll have to decide how to manage that and for how long. Merely upgrading the detail library model does not appear to be sufficient to avoid the issue.
I ought to mention that I can load a family and let it upgrade. Then if I use Copy/Paste to pass it along to another project file it does not get renamed unless the existing family in that project is based on a different version than the one I just upgraded. Upgrading a family does not seem to create the same problem that using Save As does for a family, at least not in the context of Revit treating it as a rogue family competing for the same name/existence in the project.
Regarding the workset issue I wrote three posts about previously, they describe how families can get renamed when worksets are being used and more than one person loads the same families and synchronizes their work in a specific way. The posts are:
FIRST post
SECOND post
THIRD post (references the first two as well)
I was reading a couple threads at RFO; THIS ONE and THAT ONE.
Apart from workset related issues I've written about before, I believe the underlying cause of renaming is that Revit perceives a family as different. That's not very surprising but I think that the actual difference is the result of different versions (2016 vs 2017) or having Save As used on the family (to put it in a different folder)...AND any operation that involves Copy/Paste, which includes the Insert from File tools.
When Load from Library > Load Family is used I only see it occur when worksets are being used (see the links at end of this post). The families merely having some different parameters (either instance or type) generates the dialog asking how we want to deal with the existing definition.
Using Revit 2017.1 and passing a family from one project to another I observed the following:
Family is renamed but no warning message:
If the family being introduced is an older version (upgraded) of one already in the model
If the family is same version but has had Save As used on it, i.e., to put it in a new folder location
Family is renamed and the warning appears:
If the family is an older version or Save As version AND Insert from File is used
Family is not renamed:
If the Family is copied from same library folder to a new folder
If the Family is from the same library folder
If the Family (existing) is reloaded from older version before using Copy/Paste or Insert from File.
The issue can be avoided if we are meticulous about using families from the same library and version. If we load office details from a detail library project file using Insert from File and the families (some or all) involved are based on older versions while newer versions are already present in the project we'll incur the renaming penalty.
The detail library should be updated, have the newer versions loaded first so they will be the same as those in the active project. If we need to keep the detail library in more than one version then we'll have to decide how to manage that and for how long. Merely upgrading the detail library model does not appear to be sufficient to avoid the issue.
I ought to mention that I can load a family and let it upgrade. Then if I use Copy/Paste to pass it along to another project file it does not get renamed unless the existing family in that project is based on a different version than the one I just upgraded. Upgrading a family does not seem to create the same problem that using Save As does for a family, at least not in the context of Revit treating it as a rogue family competing for the same name/existence in the project.
Regarding the workset issue I wrote three posts about previously, they describe how families can get renamed when worksets are being used and more than one person loads the same families and synchronizes their work in a specific way. The posts are:
FIRST post
SECOND post
THIRD post (references the first two as well)
Friday, October 14, 2016
Schedule Linked Files and Current File
I wrote an earlier post describing a way to create a schedule of linked files. I read a thread at RFO asking about including the current file in the schedule too. I can use the same approach to get that result too. This is a schedule of Levels (since all projects have at least one).
The schedule will naturally reference levels in the active file and I only need to check the Include elements in links option to get their levels too.
The query at RFO also dealt with custom file naming so I took advantage of the built-in Project Information parameter called Building Name. In each project file I've entered a custom File Name in Building Name. This example is using the format described at RFO. I also unchecked the option for Itemize every instance to avoid having many rows for each and every level in the files. I used Clear Cell to eliminate the Title (also turned off that option in Appearance) and used Hide Column for all the fields except Building Name. For this to work long term we need each trade to include this same piece of information in their model/file and update it when they post their next version.
The schedule will naturally reference levels in the active file and I only need to check the Include elements in links option to get their levels too.
The query at RFO also dealt with custom file naming so I took advantage of the built-in Project Information parameter called Building Name. In each project file I've entered a custom File Name in Building Name. This example is using the format described at RFO. I also unchecked the option for Itemize every instance to avoid having many rows for each and every level in the files. I used Clear Cell to eliminate the Title (also turned off that option in Appearance) and used Hide Column for all the fields except Building Name. For this to work long term we need each trade to include this same piece of information in their model/file and update it when they post their next version.
Labels:
Files,
links,
Parameters,
Schedules,
Tips
Thursday, October 13, 2016
Revit 2017.1 and Space Naming
While I was on a job site yesterday Autodesk released Revit 2017.1. In the past they've called this release R2. I think 2017.1 is better.
Finally the Space Naming Utility is just Space Naming and built-in. I've been complaining about the illogical segregation of this crucial collaboration tool for a long time. So many engineers I've met didn't even know the tool existed and that's silly. When they get to use 2017.1 it will just be waiting for them on the ribbon, no extra installation for EyeTee or Revit Managers to remember to deploy. Yay!!
As for what features are included with 2017.1 you can check out the Inside the Factory blog post. As usual Luke has shared some very useful links on his What Revit Wants blog.
Finally the Space Naming Utility is just Space Naming and built-in. I've been complaining about the illogical segregation of this crucial collaboration tool for a long time. So many engineers I've met didn't even know the tool existed and that's silly. When they get to use 2017.1 it will just be waiting for them on the ribbon, no extra installation for EyeTee or Revit Managers to remember to deploy. Yay!!
As for what features are included with 2017.1 you can check out the Inside the Factory blog post. As usual Luke has shared some very useful links on his What Revit Wants blog.
Friday, September 30, 2016
Imported or Linked DWG Appearance as Generic Model Broken in 2017
Using Revit 2017, I have a 3D DWG file for some framing that I want to use as a coordination reference within a project file. Initially I linked the file directly to the project but that approach (unfortunately) doesn't respect the cut plane of a plan view which, for example, means cripples above a header show up in the plan view too (header as well).
I decided I'd use the old create an in-place Generic Model family trick.
If you're with me so far you're probably expecting what I expected; to find that Revit regards this imported 3D geometry as generic model (cuttable) category information, giving me the look I wanted. However, when I clicked Finish Model the linked file disappeared entirely.
I thought for a moment, "Am I just imagining that I could do that? I swear Revit used to do this?!?"
Hmm, I decided I'd create a component Generic Model family instead and use Import CAD. This way I could replace the source CAD file if necessary.and just reload the family later...if necessary. Also thinking, "...maybe it'll work this time, this way...?" Nope...
I gave in, I did a quick search using Revit Help and noticed a result called "Regression Revit 2017 - Cutting 3D DWG with section results in inconsistent model display".
NUTS! ...at least I'm not crazy (about this at least)...
Well I'm writing to declare that it's not just an issue in section views. The damn thing doesn't show up in a plan view at ALL.
It works as I remembered in Revit 2016...project is in 2017 though.
I did try creating the family in 2016 and let Revit upgrade it in the 2017 project...no joy...busted. I also created a Specialty Equipment family (in-place too) and it shows up in plan view but since that category doesn't cut...it's missing the point, my reason for traveling this road in the first place.
sigh ... next service pack, update release, patch...(whatever they're going to call...)
I decided I'd use the old create an in-place Generic Model family trick.
If you're with me so far you're probably expecting what I expected; to find that Revit regards this imported 3D geometry as generic model (cuttable) category information, giving me the look I wanted. However, when I clicked Finish Model the linked file disappeared entirely.
I thought for a moment, "Am I just imagining that I could do that? I swear Revit used to do this?!?"
Hmm, I decided I'd create a component Generic Model family instead and use Import CAD. This way I could replace the source CAD file if necessary.and just reload the family later...if necessary. Also thinking, "...maybe it'll work this time, this way...?" Nope...
I gave in, I did a quick search using Revit Help and noticed a result called "Regression Revit 2017 - Cutting 3D DWG with section results in inconsistent model display".
NUTS! ...at least I'm not crazy (about this at least)...
Well I'm writing to declare that it's not just an issue in section views. The damn thing doesn't show up in a plan view at ALL.
It works as I remembered in Revit 2016...project is in 2017 though.
I did try creating the family in 2016 and let Revit upgrade it in the 2017 project...no joy...busted. I also created a Specialty Equipment family (in-place too) and it shows up in plan view but since that category doesn't cut...it's missing the point, my reason for traveling this road in the first place.
sigh ... next service pack, update release, patch...(whatever they're going to call...)
Labels:
3D,
bugs,
CAD,
Cut,
Cut Plane,
DWG,
Generic Model,
Graphics,
Import,
Issues,
Link,
Translation,
Troubleshooting
Tuesday, September 27, 2016
Survey Point Values after using Publish Coordinates
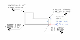
A RevitForum member remarked that it was confusing to see that the Survey Point shows 0,0,0 after using Publish Coordinates.
The image above shows the initial position, in a Building file, of the PBP and SP after using Publish Coordinates to pass the Shared Coordinate system information from a Site file to it. You can't see a building because they are quite far apart...which is why the icons do not change size when you zoom in/out.
When we open the Building model the Survey Point (SP) is marking its own origin, which is 0,0,0. When we examine the Project Base Point (PBP) we'll find coordinate values that indicate how far away it is from the SP. If we un-clip the SP we can choose to move it closer to the building and we'll see the coordinate values change to show how far the icon is moving away from its origin .
When we use Acquire Coordinates Revit moves the SP (when it is Pinned) to mark the location of the World Coordinate System origin (WCS assuming a DWG site source). When we use Publish Coordinates on the linked Building file it does the same thing but remember the SP is marking the WCS origin, which is 0,0,0 in the DWG...and for the SP of the building model too.
I hear and read the following a lot...
Placing a few spot coordinate annotations on this fine building design, after zooming in closer, looks like this. Also, the one closest to the PBP is assigned to PBP while the others are assigned to the SP.
The image above shows the initial position, in a Building file, of the PBP and SP after using Publish Coordinates to pass the Shared Coordinate system information from a Site file to it. You can't see a building because they are quite far apart...which is why the icons do not change size when you zoom in/out.
When we open the Building model the Survey Point (SP) is marking its own origin, which is 0,0,0. When we examine the Project Base Point (PBP) we'll find coordinate values that indicate how far away it is from the SP. If we un-clip the SP we can choose to move it closer to the building and we'll see the coordinate values change to show how far the icon is moving away from its origin .
When we use Acquire Coordinates Revit moves the SP (when it is Pinned) to mark the location of the World Coordinate System origin (WCS assuming a DWG site source). When we use Publish Coordinates on the linked Building file it does the same thing but remember the SP is marking the WCS origin, which is 0,0,0 in the DWG...and for the SP of the building model too.
I hear and read the following a lot...
I then test it by removing the linked building model and re-link using shared coordinates and it works.If you're tempted to do that, just don't do that on real projects since it opens the door to messing up the work we've just done. Just link the building model, re-position it and use Publish Coordinates. Then leave it alone; unless design changes require it to be moved again. A better test? Link the Site model into the Building model using By Shared Coordinates. That doesn't change anything you've done and you'll see they line up properly.
Placing a few spot coordinate annotations on this fine building design, after zooming in closer, looks like this. Also, the one closest to the PBP is assigned to PBP while the others are assigned to the SP.
Thursday, September 22, 2016
2016-17 Door Library - Head Height
A comment was submitted to an earlier post about the new library of door families that came with the 2016 release. The question had to do with changing the head height of these doors. There are two folders (see the images in the other post): Residential and Commercial as well as a smaller collection of doors that are more similar to the past door library we had, but using a new naming convention.
The doors in the Commercial folder have an Instance parameter called Masonry Frame which toggles on/off a solid form that adjusts how thick or high the head of the door is. This image is the same door side by side but with the parameter off on the left and on for the door on the right.
The doors in the Residential folder don't share this family strategy. Neither do the individual door families that are found in the root Doors folder. What is visible on the residential doors is trim, not a frame. The trim is designed to turn off if the Door Offset parameter is not set to zero. The frame form they do have are based on a sweep that doesn't allow for varying its dimensions.
Like all families, how they were conceived of and then created greatly affects their usefulness. In the case of the comment posted, the commercial collection of doors may work for them where the residential ones probably won't; not without some fundamental changes to the families themselves first.
The doors in the Commercial folder have an Instance parameter called Masonry Frame which toggles on/off a solid form that adjusts how thick or high the head of the door is. This image is the same door side by side but with the parameter off on the left and on for the door on the right.
The doors in the Residential folder don't share this family strategy. Neither do the individual door families that are found in the root Doors folder. What is visible on the residential doors is trim, not a frame. The trim is designed to turn off if the Door Offset parameter is not set to zero. The frame form they do have are based on a sweep that doesn't allow for varying its dimensions.
Like all families, how they were conceived of and then created greatly affects their usefulness. In the case of the comment posted, the commercial collection of doors may work for them where the residential ones probably won't; not without some fundamental changes to the families themselves first.
Wednesday, September 14, 2016
Trim Multiple and Multi-Select
I find that I consistently forget this is possible, to use a crossing window to select more than one element to trim or extend multiple elements at once. Don't forget Steve! Maybe now that I've written that I'll start remembering more often, hopefully. The following video is just the tooltip video that runs if you hover over Trim Multiple long enough.
Tuesday, September 13, 2016
Fill Pattern Alignment
I responded to a thread at Linked In this morning, something I almost never do. I find LI too frustrating to spend much time there. Regardless, the sought after result was to get horizontal and diagonal patterns (part of a material assignment) to line up, to appear to connect to each other. This is an image of what was shared in the thread.
The Fill Patterns (Model) need to use spacing settings that will allow their endpoints to meet. For example, if the parallel horizontal lines are 300 mm apart then we can use trigonometry to determine the parallel spacing of the diagonal pattern.
The formula b = c * sin(B) where c = 300mm and angle B is 45 degrees returns a length of 212.1 mm for the length of b. The diagonal pattern will need to use 212.1 mm for its spacing so it will align with the endpoints of the horizontal pattern at 300 mm.
Once the patterns work, it will still probably be necessary to fine tune each pattern's position on the surface of each wall so they each start at the correct location. That's because each wall will place/start the pattern you assign according to its own extents.
I like the the Align tool, I pick a segment of the horizontal pattern first then the diagonal pattern and the diagonal pattern will shift to line up as desired. That's how I aligned the patterns in the second image.
Alternatively we can use the TAB key to select one line within a Model Pattern and then use Move to adjust the pattern's location. If the walls are not parallel to each other it may be necessary to create a section view that allows us to see both patterns and use the Move tool. It may also be necessary or helpful to sketch a Detail Line from one endpoint of one of the patterns so we can snap easily while moving the other pattern's position.
Also, the taller the walls (the bigger the overall pattern) are the more important your choice of rounding (decimal places) for your calculated pattern spacing will be. You may find that the pattern begins to slip past or fall short of the adjacent horizontal pattern the bigger the pattern gets.
The Fill Patterns (Model) need to use spacing settings that will allow their endpoints to meet. For example, if the parallel horizontal lines are 300 mm apart then we can use trigonometry to determine the parallel spacing of the diagonal pattern.
The formula b = c * sin(B) where c = 300mm and angle B is 45 degrees returns a length of 212.1 mm for the length of b. The diagonal pattern will need to use 212.1 mm for its spacing so it will align with the endpoints of the horizontal pattern at 300 mm.
Once the patterns work, it will still probably be necessary to fine tune each pattern's position on the surface of each wall so they each start at the correct location. That's because each wall will place/start the pattern you assign according to its own extents.
I like the the Align tool, I pick a segment of the horizontal pattern first then the diagonal pattern and the diagonal pattern will shift to line up as desired. That's how I aligned the patterns in the second image.
Alternatively we can use the TAB key to select one line within a Model Pattern and then use Move to adjust the pattern's location. If the walls are not parallel to each other it may be necessary to create a section view that allows us to see both patterns and use the Move tool. It may also be necessary or helpful to sketch a Detail Line from one endpoint of one of the patterns so we can snap easily while moving the other pattern's position.
Also, the taller the walls (the bigger the overall pattern) are the more important your choice of rounding (decimal places) for your calculated pattern spacing will be. You may find that the pattern begins to slip past or fall short of the adjacent horizontal pattern the bigger the pattern gets.
Friday, August 12, 2016
Selection Box and Linked Models
I was just thinking that it seems unfair that the Selection Box (reasonably new feature) goes to sleep when you select just a linked file. Maybe I want to crop the 3D view down to just that link? That's when I realized that I happen to have a scope box around the link already. Select the Scope Box and then use Selection Box - et voila!
Yeah, I'm writing as if I didn't just go two months without so much as a by your leave...things have been...hectic, yeah. That's my story...
Yeah, I'm writing as if I didn't just go two months without so much as a by your leave...things have been...hectic, yeah. That's my story...
Friday, June 10, 2016
Revit Safe Mode - Wish Fulfilled
The other day I wrote about David's idea for a Revit Safe mode and Robert Manna responded in a serious way. He and the gang at Stantec created and have just shared an application to do just what we were suggesting. This is a screen shot of it running (from Robert's post).
It runs outside of Revit, prepares for opening Revit without the add-ins you choose to disable. It allows us to be fairly surgical in our troubleshooting even if it's akin to exploratory surgery ... "Hmmm, maybe we need to remove the appendix? No, that wasn't it...maybe the spleen?"
If you're curious head over to Robert's post on their blog for more information and to download the application.
It runs outside of Revit, prepares for opening Revit without the add-ins you choose to disable. It allows us to be fairly surgical in our troubleshooting even if it's akin to exploratory surgery ... "Hmmm, maybe we need to remove the appendix? No, that wasn't it...maybe the spleen?"
If you're curious head over to Robert's post on their blog for more information and to download the application.
Tuesday, May 31, 2016
Revit 2016 Update 5
This morning Autodesk Desktop Application (AdA) worked and let me know that an update is available for Revit 2016, Update Release 5 ... and in my case for R2.
AdA installed the update for me. I didn't find any evidence of it on the public facing Autodesk pages but it was listed among the updates I could download from my account management panel at Autodesk, after signing in. Hopefully you'll find AdA works for you too. If you've got to download it to deploy it for your firm then I'd visit the manage portal to download it there.
AdA installed the update for me. I didn't find any evidence of it on the public facing Autodesk pages but it was listed among the updates I could download from my account management panel at Autodesk, after signing in. Hopefully you'll find AdA works for you too. If you've got to download it to deploy it for your firm then I'd visit the manage portal to download it there.
Labels:
AdA,
News,
Revit 2016,
Update Release,
Updates
Tuesday, May 24, 2016
Autodesk Desktop Application - Again
Boy this app doesn't get much love. I've read a couple of posts elsewhere that are far less charitable than I've been. As I mentioned in the podcast I did with Bill (Grumpy Steve) I think it had a better name before when it was called Autodesk Application Manager. At least then the name suggested what it was meant to accomplish. Now its name is ambiguous at best and meaningless at worst.
A couple comments in response to my last whiny post pointed out that if I'd read the readme file for each update I would have realized that it would be necessary to uninstall the existing versions first.
My reaction? Okay my bad ... but then I thought that's not much of a application manager is it? Tell me there is an update but you need me to go elsewhere to read a document and uninstall the software so I can come back and run the update. I'm imagining that the user experience of applying an update to an app ought to be just a little bit like doing that for an app from the iTunes store?
Then again with its new name...it's not a manager anymore.
This morning a little progress though because I see AdA has started up AND there is another update indicated by the icon in my system tray.
I've already been told this application has an Update quite a few times now. Each time I've attempted to apply it, no success. It just shows up as available again the next time around.
This time I thought I'd listen to the advice offered in the comments I mentioned earlier. I clicked on the Readme link (blue text in the update listing). Instead of taking me to the readme document or the page that has it I find myself looking at the primary BIM 360 product page.
That's not what I expected (implied by the term Readme), nor is it helpful. Okay, I can deal with this. I'm reasonably resourceful (I think). I'll just go chasing after the update via the Knowlege Base. I run a search against each of the four BIM 360 applications listed ... nothing found. Okay?! Since it is for Revit 2015 maybe it's an update that is hiding under Revit 2015? Run a new search against that criteria instead ... yeah, you guessed it ... nothing found.
Yes, I submitted feedback through the built-in comment dialog that AdA has. That it has one built-in should be a clue I suppose.
I think, if AdA is going to tell me there is an update and make it worthwhile, it should do everything necessary to help me actually apply the update. For example, I was told (via comments) that it was necessary to un-install the existing versions of the other apps I was trying to apply an update for. I've since done that and applied the updates, great! The update item in AdA should have been formatted like this for example.
Better still the update should be smart enough to un-install the precedent software first, if it is required. It's not like there isn't a precedent of software updates doing that.
Since my most recent attempt to use the readme link ended with no joy, most likely just the victim of being assigned the wrong URL, it seems reasonable to provide the most important warning related to succeeding with an update, that it will be necessary to take separate action to remove the existing version first. Seems easy enough?
For now I'll just ignore the update since I won't be needing Revit 2015 this week. I'll see if it factors into my situation later, if it ever does.
A couple comments in response to my last whiny post pointed out that if I'd read the readme file for each update I would have realized that it would be necessary to uninstall the existing versions first.
My reaction? Okay my bad ... but then I thought that's not much of a application manager is it? Tell me there is an update but you need me to go elsewhere to read a document and uninstall the software so I can come back and run the update. I'm imagining that the user experience of applying an update to an app ought to be just a little bit like doing that for an app from the iTunes store?
Then again with its new name...it's not a manager anymore.
This morning a little progress though because I see AdA has started up AND there is another update indicated by the icon in my system tray.
I've already been told this application has an Update quite a few times now. Each time I've attempted to apply it, no success. It just shows up as available again the next time around.
This time I thought I'd listen to the advice offered in the comments I mentioned earlier. I clicked on the Readme link (blue text in the update listing). Instead of taking me to the readme document or the page that has it I find myself looking at the primary BIM 360 product page.
That's not what I expected (implied by the term Readme), nor is it helpful. Okay, I can deal with this. I'm reasonably resourceful (I think). I'll just go chasing after the update via the Knowlege Base. I run a search against each of the four BIM 360 applications listed ... nothing found. Okay?! Since it is for Revit 2015 maybe it's an update that is hiding under Revit 2015? Run a new search against that criteria instead ... yeah, you guessed it ... nothing found.
Yes, I submitted feedback through the built-in comment dialog that AdA has. That it has one built-in should be a clue I suppose.
I think, if AdA is going to tell me there is an update and make it worthwhile, it should do everything necessary to help me actually apply the update. For example, I was told (via comments) that it was necessary to un-install the existing versions of the other apps I was trying to apply an update for. I've since done that and applied the updates, great! The update item in AdA should have been formatted like this for example.
Better still the update should be smart enough to un-install the precedent software first, if it is required. It's not like there isn't a precedent of software updates doing that.
Since my most recent attempt to use the readme link ended with no joy, most likely just the victim of being assigned the wrong URL, it seems reasonable to provide the most important warning related to succeeding with an update, that it will be necessary to take separate action to remove the existing version first. Seems easy enough?
For now I'll just ignore the update since I won't be needing Revit 2015 this week. I'll see if it factors into my situation later, if it ever does.
Thursday, May 19, 2016
Tags Dimensions and Linked Files
I've mentioned this subject in the past. I'm writing to bring it up again and to focus on how Revit deals with tags and dimensions differently when we apply them to elements that are in linked files.
First as a reminder, when a linked file changes and a user reloads that link in their Local File other users are not necessarily seeing the same version of the Linked File. That's because reloading a link is a local change, a personal action, that doesn't get passed along to the Central File when we use Synchronize with Central (SwC).
Let's imagine User A has reloaded a linked model and they've placed tags on doors and rooms that they observe are now present in the link. User A uses SwC to share this new tagging effort. Now User B, who already has a Local File open, decides to use Reload Latest or SwC to share something they've done or see what work other users have contributed.
It's important to note that User B did NOT use Reload in Manage Links or via right-click on the linked file in the Project Browser FIRST. As a result User B gets the warning in the next image. Don't be confused by the mention of Coordination Monitor which can be confusing. It can make us think we're dealing with something that has been involved with the Copy/Monitor tools.
The Tags are Orphaned, they've lost their relationship with the linked file's elements they are supposed to identify. You can see one tag is highlighted in orange in the image above. In the next image we can see what the floor plan really looks like in the linked file (and what User A sees). It's not quite the same as what User B thinks it looks like is it?
Let's now imagine that User A continues to work by adding the dimensions you see in the image above too. After they finish doing that they use SwC.
User B now decides to use SwC or Reload Latest, AGAIN without using Reload on the linked file. Their reward is a larger collection of warnings (see next image). The first three warnings are dedicated to the dimensions User A added to their Local File. There are no equivalent elements in the version of the linked file that User B sees so Revit's only recourse is to delete them ... or ... choose Cancel ... which is actually a better choice. If User B cancels and then Reloads the linked file first that will eliminate the warnings entirely.
The remaining warnings are focused on the newly orphaned door and room tags that can't find their parent elements. If we select one of the orphaned tags we can either use Pick New Host or Reconcile Hosting. The former will need us to pick a door to associate the tag with. The latter will open the Reconcile Hosting browser which shows us everything that has been orphaned so far. We can select individual items and right-click to use Pick Host or Delete the tag if that's a better choice.
Keep in mind, once this orphaned status occurs it sticks. Merely reloading a linked file afterward isn't going to fix it. We'll be forced to deal with Reconciling Hosting. In some situations it might be faster to delete the tags and use Tag All to place them all over again.
Develop the habit of reloading the necessary linked files BEFORE using SwC or Reload Latest.
If you get the warning messages in the images above, use CANCEL. Make a note of the elements the warning(s) is(are) focused on. Most likely the warnings are being issued because you need to use Reload on the linked files first.
I'd also consider a moratorium on applying tags or dimensions to linked elements while the link is being changed aggressively. For example, if we know that the link is going to undergo some massive redesign we should just agree to stay away from tags and dimensions until it settles down again.
It's also a good idea to let other people know that you have changed an integral linked file so they can all use Reload (link) to catch up together.
First as a reminder, when a linked file changes and a user reloads that link in their Local File other users are not necessarily seeing the same version of the Linked File. That's because reloading a link is a local change, a personal action, that doesn't get passed along to the Central File when we use Synchronize with Central (SwC).
Let's imagine User A has reloaded a linked model and they've placed tags on doors and rooms that they observe are now present in the link. User A uses SwC to share this new tagging effort. Now User B, who already has a Local File open, decides to use Reload Latest or SwC to share something they've done or see what work other users have contributed.
It's important to note that User B did NOT use Reload in Manage Links or via right-click on the linked file in the Project Browser FIRST. As a result User B gets the warning in the next image. Don't be confused by the mention of Coordination Monitor which can be confusing. It can make us think we're dealing with something that has been involved with the Copy/Monitor tools.
The Tags are Orphaned, they've lost their relationship with the linked file's elements they are supposed to identify. You can see one tag is highlighted in orange in the image above. In the next image we can see what the floor plan really looks like in the linked file (and what User A sees). It's not quite the same as what User B thinks it looks like is it?
Let's now imagine that User A continues to work by adding the dimensions you see in the image above too. After they finish doing that they use SwC.
User B now decides to use SwC or Reload Latest, AGAIN without using Reload on the linked file. Their reward is a larger collection of warnings (see next image). The first three warnings are dedicated to the dimensions User A added to their Local File. There are no equivalent elements in the version of the linked file that User B sees so Revit's only recourse is to delete them ... or ... choose Cancel ... which is actually a better choice. If User B cancels and then Reloads the linked file first that will eliminate the warnings entirely.
The remaining warnings are focused on the newly orphaned door and room tags that can't find their parent elements. If we select one of the orphaned tags we can either use Pick New Host or Reconcile Hosting. The former will need us to pick a door to associate the tag with. The latter will open the Reconcile Hosting browser which shows us everything that has been orphaned so far. We can select individual items and right-click to use Pick Host or Delete the tag if that's a better choice.
Keep in mind, once this orphaned status occurs it sticks. Merely reloading a linked file afterward isn't going to fix it. We'll be forced to deal with Reconciling Hosting. In some situations it might be faster to delete the tags and use Tag All to place them all over again.
This might be an opportunity for an enterprising developer to write a routine that looks at orphaned families and picks the closest possible host? Better still...Autodesk?My recommendation, if you MUST use tags and dimensions on linked files?
Develop the habit of reloading the necessary linked files BEFORE using SwC or Reload Latest.
If you get the warning messages in the images above, use CANCEL. Make a note of the elements the warning(s) is(are) focused on. Most likely the warnings are being issued because you need to use Reload on the linked files first.
I'd also consider a moratorium on applying tags or dimensions to linked elements while the link is being changed aggressively. For example, if we know that the link is going to undergo some massive redesign we should just agree to stay away from tags and dimensions until it settles down again.
It's also a good idea to let other people know that you have changed an integral linked file so they can all use Reload (link) to catch up together.
Wednesday, May 18, 2016
Create New Local is Disabled
I've written about this in the past, like THIS ONE. Today I noticed another circumstance where the option is disabled even though it shouldn't be. When we browse to open a project we can click on a file listed among the contents of a folder. If we do that then Create New Local is enabled and checked by default. At least that's true if other circumstances are not preventing it, like those described in my other post.
What I saw today is that if I choose to type some of the file name in the file name field Windows will supply me with a list of file names that begin with those letters, cool Windows behavior. If I select the correct file using that list then Create New Local sleeps through the effort and fails to become enabled.
Want to see it happen?
What I saw today is that if I choose to type some of the file name in the file name field Windows will supply me with a list of file names that begin with those letters, cool Windows behavior. If I select the correct file using that list then Create New Local sleeps through the effort and fails to become enabled.
Want to see it happen?
Monday, May 16, 2016
My Ongoing Saga of Autodesk Desktop Application
This poor half blind, lame in one-leg, incontinent piece of software continues to amuse and aggravate me. Twice in the last two weeks it has let me know I'm missing some updates.
Amusingly and aggravatingly ... they've all been installed already.
So I indulge it and try to install them again thinking that will help it see better. Nope ... sure enough ...the application that needs the update figures out it is installed already.
Typical response for all four items...
Amusingly and aggravatingly ... they've all been installed already.
So I indulge it and try to install them again thinking that will help it see better. Nope ... sure enough ...the application that needs the update figures out it is installed already.
Typical response for all four items...
Saturday, May 14, 2016
Wish - Revit Safe Mode
I'm echoing something I heard David Baldacchino suggest, good idea Dave. Revit will crash from time to time. Sometime it isn't because of something I've done, it tracks back to an add-in I've got installed. It can be a bit of a hassle to disable add-ins to rule them out.
It would be handy if there were a way to start-up Revit in safe mode - add-in free so to speak so it can run on its own and help us diagnose an issue.
Speaking of Wishes - Autodesk started a new community forum called Revit Ideas to post this kind of thing. It allows us to Vote Up an idea so those that many of us really like can rise to the top. Potentially this can help them focus on things we really want and are (hopefully) expressed well enough to pursue.
It would be handy if there were a way to start-up Revit in safe mode - add-in free so to speak so it can run on its own and help us diagnose an issue.
Speaking of Wishes - Autodesk started a new community forum called Revit Ideas to post this kind of thing. It allows us to Vote Up an idea so those that many of us really like can rise to the top. Potentially this can help them focus on things we really want and are (hopefully) expressed well enough to pursue.
Friday, May 13, 2016
Keyboard Shortcuts
These are the fastest way to start a command or tool in Revit. No amount of user interface customization we can do or Autodesk can give us will beat them. My problem with them is my ability to remember them. Yesterday in a discussion with some other people I did a quick count and came up with 24 that I could remember without any real effort. Today I managed 31 so I'm seven smarter today! Oh, up to 33 if you count the ones I remember have alternates.
How many do you remember??
The Keyboard Shortcuts I remember today (the winners) are...(bold are ones I use constantly, which helps)
Viewing
ZZ(ZR) (Zoom Region)
ZA (Zoom All to Fit - all open views)
ZF (Zoom to Fit - active view)
ZS (Zoom Sheet Size)
ZO (Zoom out 2x)
WT (Window Tile)
XX (Close Hidden Windows - custom)
Snapping
SM (midpoint)
SE (endpoint)
SI (intersection)
SO (snaps off)
Visibilty
VG (VV) (Visibility/Graphics)
VR (2017 View Range)
HH (Temp/Hide Hide Element)
HI (Temp/Hide Isolate Element)
HR (Temp/Hide Reset)
IC (Temp/Hide Isolate Category)
Editing
CO (Copy)
TR (Trim - Corner)
TS (Trim - Single Element - custom)
SL (Split Element, with Delete Inner Segment option checked a lot)
Creating Stuff
WA (Wall)
DR (Door)
CM (Place Component)
Annotation
DI (Dimension Aligned)
TG (Tag by Category)
Miscellaneous
MD (Modify)
RL (Reload Latest - worksets)
CTRL+C (copy to clipboard)
CTRL+V (paste)
CTRL+X (cut to clipboard)
How many do you remember??
The Keyboard Shortcuts I remember today (the winners) are...(bold are ones I use constantly, which helps)
Viewing
ZZ(ZR) (Zoom Region)
ZA (Zoom All to Fit - all open views)
ZF (Zoom to Fit - active view)
ZS (Zoom Sheet Size)
ZO (Zoom out 2x)
WT (Window Tile)
XX (Close Hidden Windows - custom)
Snapping
SM (midpoint)
SE (endpoint)
SI (intersection)
SO (snaps off)
Visibilty
VG (VV) (Visibility/Graphics)
VR (2017 View Range)
HH (Temp/Hide Hide Element)
HI (Temp/Hide Isolate Element)
HR (Temp/Hide Reset)
IC (Temp/Hide Isolate Category)
Editing
CO (Copy)
TR (Trim - Corner)
TS (Trim - Single Element - custom)
SL (Split Element, with Delete Inner Segment option checked a lot)
Creating Stuff
WA (Wall)
DR (Door)
CM (Place Component)
Annotation
DI (Dimension Aligned)
TG (Tag by Category)
Miscellaneous
MD (Modify)
RL (Reload Latest - worksets)
CTRL+C (copy to clipboard)
CTRL+V (paste)
CTRL+X (cut to clipboard)
Thursday, May 12, 2016
Revit Oped Podcast - Test One Two
Bill Debevc just celebrated his first anniversary of BIM Thoughts. We talked about doing a separate podcast together tied to what I do with this blog in some way. He made sure we actually started it by sending me a meeting invitation. He's doing the heavy lifting of preparing it for me. I get to show up, chat with him for a bit and wander off again.
Last night it was finally listed at iTunes, you can search for it there now using Apple's Podcast app or your other favorite Podcast software.
We've set up a blog site to store episode notes and allow for comments. It's still under development so don't be surprised if it changes over the next month or so. Our first episode is called Hello World!. It is possible to just listen to each episode on the blog site too.
Bill came up with our nice podcast logo.
I asked my daughter to create one and liked her initial design sketch a lot but she's got so much school work I took it off her plate. My son Jake did the intro/outro music for us, thanks!
Bill, thanks for making me do it! We hope people listen and enjoy it.
Last night it was finally listed at iTunes, you can search for it there now using Apple's Podcast app or your other favorite Podcast software.
We've set up a blog site to store episode notes and allow for comments. It's still under development so don't be surprised if it changes over the next month or so. Our first episode is called Hello World!. It is possible to just listen to each episode on the blog site too.
Bill came up with our nice podcast logo.
I asked my daughter to create one and liked her initial design sketch a lot but she's got so much school work I took it off her plate. My son Jake did the intro/outro music for us, thanks!
Bill, thanks for making me do it! We hope people listen and enjoy it.
Labels:
BIM,
BIM Thoughts,
News,
Podcast,
Revit OpED,
Update
Wednesday, May 11, 2016
Conferences and Memory Lane - Revit View Reference
Reading tweets about RTC in Australia getting ready to open its doors I also read a thread about View Reference families. I wrote about a quirky move grip location issue four years ago to describe how they were misbehaving for me. Which reminded me about how I like to use them for a slide deck inside Revit.
I thought I'd echo that post here again in the spirit of the 2016 RTC season opening. To those attending RTCAUS, have a great conference in Hunter Valley. I hope to see you (some/many) at RTC this July in Scottsdale, AZ. Here's the post:
- - - - - - - - - - - - - - - - - - - - - - - - - - - - - - - - - - - - - - - - - - - - - - - - - - - - - - - - - - - - - - - - - - - - - -
Years ago I wrote about using Revit to help me coach my son's soccer team. Since I seem to have an unhealthy focus on using Revit for things that might not make any sense it should be no surprise that I'd find a way to avoid using Power Point. When Revit 2013 came out it expanded on what we could do with the View Reference tool (wrote about that before too).
Well since then, at the last few conferences I've been a presenter for, I've been using the view reference as a way to move forward or back through a "slide deck", a Revity slide projector. I did use Power Point to create the slides since that's what the templates were using already. I used a screen capture of each slide as an image inserted into drafting views.
Here's what my intro slide looks like for my session later today (four years ago) at Autodesk University 2012, it's called "Sharing Work with Worksharing Using Autodesk Revit".
See the little arrows on either side of the image? Those are my back and forward buttons, they are just referencing the previous and next drafting views (slides). Instead of showing the sheet reference information that it would normally show I just added the back and forward facing arrow graphics.
It's just the sort of Power Point that this Revit guy likes!
I thought I'd echo that post here again in the spirit of the 2016 RTC season opening. To those attending RTCAUS, have a great conference in Hunter Valley. I hope to see you (some/many) at RTC this July in Scottsdale, AZ. Here's the post:
- - - - - - - - - - - - - - - - - - - - - - - - - - - - - - - - - - - - - - - - - - - - - - - - - - - - - - - - - - - - - - - - - - - - - -
Years ago I wrote about using Revit to help me coach my son's soccer team. Since I seem to have an unhealthy focus on using Revit for things that might not make any sense it should be no surprise that I'd find a way to avoid using Power Point. When Revit 2013 came out it expanded on what we could do with the View Reference tool (wrote about that before too).
Well since then, at the last few conferences I've been a presenter for, I've been using the view reference as a way to move forward or back through a "slide deck", a Revity slide projector. I did use Power Point to create the slides since that's what the templates were using already. I used a screen capture of each slide as an image inserted into drafting views.
Here's what my intro slide looks like for my session later today (four years ago) at Autodesk University 2012, it's called "Sharing Work with Worksharing Using Autodesk Revit".
See the little arrows on either side of the image? Those are my back and forward buttons, they are just referencing the previous and next drafting views (slides). Instead of showing the sheet reference information that it would normally show I just added the back and forward facing arrow graphics.
It's just the sort of Power Point that this Revit guy likes!
Tuesday, May 10, 2016
Revit Viewer and Worksharing
Reading a thread at Autodesk's Revit Community forum David reminded me of the quirky issues related to the Viewer when worksharing is being used. If someone launches Revit Viewer and then tries to open a project that has enabled worksets they'll get this warning.
When the file is opened and they try to print, export or save they'll get this warning even though they haven't DONE anything...but Revit has made changes to the file in order to create a new local file.
Okay, let's follow the instructions in the first warning message. We'll open the project using Detach from Central. Sorry, "Do not pass Go, do not collect $200". That process also changes the file. Still no export, save or print for you!
The ONLY way we can use Revit Viewer to open a project with Worksets enabled is to open the Central File itself, by un-checking the option to Create New Local. This means that user is now working on the real central file with Revit Viewer.
If you do this you will likely encounter several of the messages shown in the first image. The projects I've done this with all have linked files and it seems to pop up for each link (RVT) used and once more if there are any linked/imported DWG files.
To the good, they won't be able to synchronize their work nor will it prompt them to Save when they close the file. They won't be able to edit much of anything though because they can't borrow elements. The notion of using Revit Viewer to poke around the model, do some experimental stuff within the model is off limits to Viewer mode. We are able to print or publish to DWF, because those formats don't create an editable version of the data/model.
It seems to me that the notion of Revit Viewer for workset projects is fundamentally flawed, if we're thinking of it as a way for Project Managers to poke around, do anything other than JUST LOOK at views. If we'd like them to be able to cut a section view or hide things, do anything that requires temporarily borrowing something, that's all off limits to the Viewer.
For that we'll have to show them how to use Detach from Central AND to be careful not to save that file overwriting the original project.
When the file is opened and they try to print, export or save they'll get this warning even though they haven't DONE anything...but Revit has made changes to the file in order to create a new local file.
Okay, let's follow the instructions in the first warning message. We'll open the project using Detach from Central. Sorry, "Do not pass Go, do not collect $200". That process also changes the file. Still no export, save or print for you!
The ONLY way we can use Revit Viewer to open a project with Worksets enabled is to open the Central File itself, by un-checking the option to Create New Local. This means that user is now working on the real central file with Revit Viewer.
If you do this you will likely encounter several of the messages shown in the first image. The projects I've done this with all have linked files and it seems to pop up for each link (RVT) used and once more if there are any linked/imported DWG files.
To the good, they won't be able to synchronize their work nor will it prompt them to Save when they close the file. They won't be able to edit much of anything though because they can't borrow elements. The notion of using Revit Viewer to poke around the model, do some experimental stuff within the model is off limits to Viewer mode. We are able to print or publish to DWF, because those formats don't create an editable version of the data/model.
It seems to me that the notion of Revit Viewer for workset projects is fundamentally flawed, if we're thinking of it as a way for Project Managers to poke around, do anything other than JUST LOOK at views. If we'd like them to be able to cut a section view or hide things, do anything that requires temporarily borrowing something, that's all off limits to the Viewer.
For that we'll have to show them how to use Detach from Central AND to be careful not to save that file overwriting the original project.
Monday, May 09, 2016
Open Sheet - Equal Rights for Panel Schedules
This new right-click choice exists, within the Project Browser, for views that are on sheets. Views that are real that is. Schedules are special views, they can be placed on more than one sheet (like Legends). Electrical Panel Schedules share this distinction but unlike other schedules they are not nearly as likely to require being placed on more than one sheet. Their schedule-ness makes this right click option invalid for them too.
I realize it probably isn't easy or perhaps even possible to segregate this schedule-ness from Panel Schedules but I would have found it very handy to be able to use the Open Sheet concept for them several times today. In this instance it would have been faster than navigating through a very long list of sheets. I suppose it is also possible that some firms do need to be able to put Panel Schedules on more than one sheet, in which case...bummer for me and my wish...
I realize it probably isn't easy or perhaps even possible to segregate this schedule-ness from Panel Schedules but I would have found it very handy to be able to use the Open Sheet concept for them several times today. In this instance it would have been faster than navigating through a very long list of sheets. I suppose it is also possible that some firms do need to be able to put Panel Schedules on more than one sheet, in which case...bummer for me and my wish...
Friday, May 06, 2016
Create a Local File - How Often
Every time...
I no longer reuse Local Files. My attitude and habits have changed a little over the years. I wrote this POST in 2008 and then THIS on in 2011. I've touched on the subject many times within the context of other workset related posts.
I treat my Local File as ephemeral...temporary... I make use of the Open File option Create New Local each and every time I start working on a project again; yes even if I just stopped working earlier to have lunch or join a conference call.
I no longer reuse Local Files. My attitude and habits have changed a little over the years. I wrote this POST in 2008 and then THIS on in 2011. I've touched on the subject many times within the context of other workset related posts.
I treat my Local File as ephemeral...temporary... I make use of the Open File option Create New Local each and every time I start working on a project again; yes even if I just stopped working earlier to have lunch or join a conference call.
Thursday, May 05, 2016
Getting Started with Collaboration for Revit (C4R)
Below are a couple of links that describe the process for getting your project started using Collaboration for Revit (C4R).
It all begins with creating a project using your A360 account/subscription. Naturally you've got to create an account first so this assumes you've done that. The linked page also explains how to upload your current project to the A360 project if necessary.
If you're responsible for putting your active file on the A360 Project, READ ME, it has a video too.
There is a ton of information lurking at Autodesk, just use your Google-fu.
It all begins with creating a project using your A360 account/subscription. Naturally you've got to create an account first so this assumes you've done that. The linked page also explains how to upload your current project to the A360 project if necessary.
If you're responsible for putting your active file on the A360 Project, READ ME, it has a video too.
There is a ton of information lurking at Autodesk, just use your Google-fu.
Wednesday, May 04, 2016
Revit Viewer
Yes it still exists.
I've been doing some work with Autodesk as a Revit Mentor helping users navigate their 30 day trial. One of the recurring themes is, "I only need Revit to view other peoples models. How do I do that?" In the old days a version of Revit that lacked a license turned into viewer mode. At times that proved a bit dangerous because a user could lose a license (network issues or internet access) while working on a model and find themselves in Viewer Mode and unable to save work they ordinarily could, should be able to.
To counter that situation we now have a separate application that is Revit Viewer. It's installed alongside Revit, wherever you decided to store it on your computer. In my case it's listed like this when I search in Windows 10. FWIW, I don't put any icons on my PC's desktop so that's how I start everything, click on the Window...type a few letters, launch an app. It's the illusion of an uncluttered mind! My actual desk...well that's a different matter...
When you run it you'll be greeted by this message before it will finish opening and let you open a project.
It is worth stressing that the limitations the dialog above describes kick in as soon as ANY change is made. I frequently hear, "I can't print in Viewer mode". That happens when you change the model, to which they reply, "I want to print using a different titleblock, I switched to a different one".
Yeah, that's a change...
It doesn't matter how minor or subtle a change is, the key word is change. If you move a tag, add a dimension, put a view on sheet, change a view's scale, a view's detail level...yeah those are all changes. Trying to print (or save/export) afterward will cause Revit to pop up the dialog above again. If you get the dialog, use Undo until the action you want will work. Most likely you'll have to undo everything you've done just after opening the file.
I should clarify, using Viewer won't allow exporting to formats that can be modified (that is part of the license warning message). That means Viewer can't be used to export to DWG, DXF, IFC etc. We can use Viewer to Print or Publish to DWF.
I've been doing some work with Autodesk as a Revit Mentor helping users navigate their 30 day trial. One of the recurring themes is, "I only need Revit to view other peoples models. How do I do that?" In the old days a version of Revit that lacked a license turned into viewer mode. At times that proved a bit dangerous because a user could lose a license (network issues or internet access) while working on a model and find themselves in Viewer Mode and unable to save work they ordinarily could, should be able to.
To counter that situation we now have a separate application that is Revit Viewer. It's installed alongside Revit, wherever you decided to store it on your computer. In my case it's listed like this when I search in Windows 10. FWIW, I don't put any icons on my PC's desktop so that's how I start everything, click on the Window...type a few letters, launch an app. It's the illusion of an uncluttered mind! My actual desk...well that's a different matter...
When you run it you'll be greeted by this message before it will finish opening and let you open a project.
It is worth stressing that the limitations the dialog above describes kick in as soon as ANY change is made. I frequently hear, "I can't print in Viewer mode". That happens when you change the model, to which they reply, "I want to print using a different titleblock, I switched to a different one".
Yeah, that's a change...
It doesn't matter how minor or subtle a change is, the key word is change. If you move a tag, add a dimension, put a view on sheet, change a view's scale, a view's detail level...yeah those are all changes. Trying to print (or save/export) afterward will cause Revit to pop up the dialog above again. If you get the dialog, use Undo until the action you want will work. Most likely you'll have to undo everything you've done just after opening the file.
I should clarify, using Viewer won't allow exporting to formats that can be modified (that is part of the license warning message). That means Viewer can't be used to export to DWG, DXF, IFC etc. We can use Viewer to Print or Publish to DWF.
Tuesday, May 03, 2016
Autodesk Installation and Updates Exercise Survey
Autodesk staff are reviewing the terms that are used for software installation and applying updates. They are looking for our help by performing a set of exercises that should take less than 15 minutes to complete. Your responses will help them organize and more clearly describe things that are delivered as part of the installation or update process.
Would you like to help? START HERE
Would you like to help? START HERE
Revit 2017 - Text and Character Map Use
I mentioned the other day that a user had shared with me some difficulty using symbols from Character Map (charmap). Autodesk has written a Knowledge Base article about. Hopefully the first service pack (Update Release...whatever they call it this time around) will fix it.
Read the article at Autodesk.
If you'd like to watch an Autodesk Screencast video and the thread at the Autodesk Community Revit forums CLICK ME.
Fwiw, in my testing I'm not having any difficulty with inserting symbols via the ALT codes or copy/paste. There must be a bit more subtlety to the issue.
Read the article at Autodesk.
If you'd like to watch an Autodesk Screencast video and the thread at the Autodesk Community Revit forums CLICK ME.
Fwiw, in my testing I'm not having any difficulty with inserting symbols via the ALT codes or copy/paste. There must be a bit more subtlety to the issue.
Monday, May 02, 2016
Autodesk Insight 360 Survey
I have no idea how many readers of this blog are active users of this product. Just in case...
The Autodesk Insight 360 team has put together an industry marketing survey. The survey itself is HERE and THEIR BLOG POST provides more information.
What's in it for you? Take the survey, enter your email address and you’ll be entered to win one of ten (10) $50 Amazon gift cards. The survey closes on the 31st of May.
If this product is part of how you do your work take the survey now so you don't forget. If it isn't then consider taking the survey anyway; offer up your insight regarding why you don't use it now (see what I did there?).
The Autodesk Insight 360 team has put together an industry marketing survey. The survey itself is HERE and THEIR BLOG POST provides more information.
What's in it for you? Take the survey, enter your email address and you’ll be entered to win one of ten (10) $50 Amazon gift cards. The survey closes on the 31st of May.
If this product is part of how you do your work take the survey now so you don't forget. If it isn't then consider taking the survey anyway; offer up your insight regarding why you don't use it now (see what I did there?).
Revit 2017 - Filters and Reference Planes
Filters have been expanded to see Reference Planes.
You're probably aware that Reference Planes don't have many parameters, just these three instance parameters: Scope Box, Name and Subcategory. They don't have any Type Parameters because they aren't defined by types like grids or levels for example. If we examine the Filters dialog and see how those three parameters play out as criteria we'll find they don't.
The More Parameters... or Browse button to its right are tempting but we still can't create parameters associated with Reference Planes.
This makes it rather difficult to actually use a Filter for Reference Planes, criteria based filters anyway. We can select them (Reference Planes) first and create a Filter based on selection but that's not really much different than using Visibility/Graphics to turn them off or override their appearance.
While it makes for an enticing item in the list of what's new it will only serve to frustrate you if you pursue it. It's a shame that we aren't offered at least the Name parameter to use in a filter. It looks like the critical path for this feature wandered into the weeds and got stuck in some quicksand.
I'm sure we'll take good advantage of being able to differentiate them from one another and control their visibility using Visibilty/Graphics and View Templates despite this situation.
You're probably aware that Reference Planes don't have many parameters, just these three instance parameters: Scope Box, Name and Subcategory. They don't have any Type Parameters because they aren't defined by types like grids or levels for example. If we examine the Filters dialog and see how those three parameters play out as criteria we'll find they don't.
The More Parameters... or Browse button to its right are tempting but we still can't create parameters associated with Reference Planes.
This makes it rather difficult to actually use a Filter for Reference Planes, criteria based filters anyway. We can select them (Reference Planes) first and create a Filter based on selection but that's not really much different than using Visibility/Graphics to turn them off or override their appearance.
While it makes for an enticing item in the list of what's new it will only serve to frustrate you if you pursue it. It's a shame that we aren't offered at least the Name parameter to use in a filter. It looks like the critical path for this feature wandered into the weeds and got stuck in some quicksand.
I'm sure we'll take good advantage of being able to differentiate them from one another and control their visibility using Visibilty/Graphics and View Templates despite this situation.
Sunday, May 01, 2016
Revit 2017 - Calculated Values in Tags
This addition permits us to do the same thing to tags that we've been using in schedules. For example, in a tag I'd like to show the difference between the client required area and the actual area of a room. That wasn't possible without some export/import or Dynamo shenanigans. Now it is possible, right in a tag.
This starts in the Edit Label dialog via a new button, then it is the same as the dialog we've seen in Schedules.
Since these can be used in schedules and tags, and it has to be done separately for each use, it probably makes sense to document all of the formulas we use so they are easily harvested for another project. Build them into a template and there is less need to do that at all. Regardless it wouldn't hurt to have a Drafting View set aside with the text versions of all the formulas we use stored there. That way a simple Copy/Paste operation can harvest a formula to use in a tag or a schedule or both.
This starts in the Edit Label dialog via a new button, then it is the same as the dialog we've seen in Schedules.
Since these can be used in schedules and tags, and it has to be done separately for each use, it probably makes sense to document all of the formulas we use so they are easily harvested for another project. Build them into a template and there is less need to do that at all. Regardless it wouldn't hurt to have a Drafting View set aside with the text versions of all the formulas we use stored there. That way a simple Copy/Paste operation can harvest a formula to use in a tag or a schedule or both.
Saturday, April 30, 2016
Revit 2017 - Align Padlock and Wall Core Centerline
If you think you're going crazy because no padlock appears when you try to align and lock a Wall by its Core Centerline, you're not crazy (not about that anyway). Revit 2017 seems to have gotten distracted and doesn't turn on the padlock when using Align on that portion of a Wall. Damn that's subtle!! They are on it though. I imagine it'll be fixed once an Update Release (Service Pack) is made available.
Friday, April 29, 2016
Controlling a Solid Form with a Visible Parameter
Here's a video trip back to a basic family editing concept. It describes two solids, a cube and sphere. I assign parameters to their Visible parameter and then show how we can use a formula to toggle one of them on/off and using Family Types to manage them. This works fine for solids, voids are another matter...and the subject of a later video.
Thursday, April 28, 2016
Revit 2017 - Associate Family Parameter Tool Tip
It's the little stuff...
Revit 2017 is missing the tool tip for the Associate Family Parameter button that it took awhile to get. Now it's tool tip-less again.
It makes me sad for that little sneaky button :(
Revit 2017 is missing the tool tip for the Associate Family Parameter button that it took awhile to get. Now it's tool tip-less again.
It makes me sad for that little sneaky button :(
Wednesday, April 27, 2016
Multi-Segment Grid and Crop Boundary Interaction
When one segment of a multi-segment grid passes entirely beyond a views crop boundary that segment is not displayed. That seems reasonable to me. The annotation at the end of the grid however also disappears and that doesn't seem as reasonable to me. I'd like that to remain especially since (when) that end isn't coming into contact with the crop boundary. It is easier to see with a video capture embedded below. Whaddyathink?
Tuesday, April 26, 2016
Revit 2017 - Text Element Error Message
I created a drafting view and placed a single text element. I type a simple sentence and then clicked the new Close button on the ribbon. I received this nonsensical warning for my effort.
Doesn't seem to matter what view I am placing text in, clicking the Close button pops up the warning. I'm curious if others are seeing this too? I was using the stock architectural template from the Imperial Library. Simple fix is to just finish text in the same old way, don't use the Close button.
Edit: A little more testing and the plan view Level 1 doesn't seem to mind anymore. When I tried it again in the Construction template the floor plan view Level 1 didn't complain but Level 2's did and the Ceiling plan for Level 1 did too. Okay...more weirdness. This is after placing text in an Elevation view.
Traded emails with Aaron Maller last evening and pinned down the circumstances that this issue is reproduceable. It boils down to placing text in a view and then placing text in another view while the previous view is still open. Revit doesn't seem to recognize that the new text is in a different view when the Close button is used. Here's a video explanation.
Doesn't seem to matter what view I am placing text in, clicking the Close button pops up the warning. I'm curious if others are seeing this too? I was using the stock architectural template from the Imperial Library. Simple fix is to just finish text in the same old way, don't use the Close button.
Edit: A little more testing and the plan view Level 1 doesn't seem to mind anymore. When I tried it again in the Construction template the floor plan view Level 1 didn't complain but Level 2's did and the Ceiling plan for Level 1 did too. Okay...more weirdness. This is after placing text in an Elevation view.
Traded emails with Aaron Maller last evening and pinned down the circumstances that this issue is reproduceable. It boils down to placing text in a view and then placing text in another view while the previous view is still open. Revit doesn't seem to recognize that the new text is in a different view when the Close button is used. Here's a video explanation.
Monday, April 25, 2016
Revit 2017 - View Range Keyboard Shortcut
Brian Mackey wrote a post earlier today that describes two quirky issues with using the new View Range keyboard shortcut VR. It is definitely subtle, quirky and worthy of an echo.
The first quirk is having to click Apply first and then OK to close in order to make a change stick. I'd run into that too and meant to write something but Brian was quicker to the keyboard. The other, and very important, thing to know is that using it ignores when a View Template has been assigned to a view, meaning the template is supposed to be controlling the parameters for View Range. That's not good! Check out his thoughts.
As such it is no longer his favorite new subtle feature and I'm inclined to agree, too bad.
The first quirk is having to click Apply first and then OK to close in order to make a change stick. I'd run into that too and meant to write something but Brian was quicker to the keyboard. The other, and very important, thing to know is that using it ignores when a View Template has been assigned to a view, meaning the template is supposed to be controlling the parameters for View Range. That's not good! Check out his thoughts.
As such it is no longer his favorite new subtle feature and I'm inclined to agree, too bad.
Sunday, April 24, 2016
Revit MEP - Wire Size AWG vs MM
I wrote a post about this subject before. There is an app at the Autodesk Exchange Apps that offers trap door access to revise the bias toward AWG size versus.
It is called Convert Wire Size (AWG to MM) and it sells for $4.00 USD. I haven't used it myself but for those firms that need wire size reported in millimeters squared it may be the solution you need/want until Revit itself allows us to switch the criteria directly itself.
I'll be curious to hear how well it satisfies what engineers are asking for.
It is called Convert Wire Size (AWG to MM) and it sells for $4.00 USD. I haven't used it myself but for those firms that need wire size reported in millimeters squared it may be the solution you need/want until Revit itself allows us to switch the criteria directly itself.
I'll be curious to hear how well it satisfies what engineers are asking for.
Labels:
AWG,
Calculations,
Electrical,
Engineering,
MM,
Revit MEP,
Size,
Units,
Wire
Saturday, April 23, 2016
Family Templates and Reference Plane Inequity
This is subtle but still a source of amusement or annoyance. Start a new family using the Generic Model template and try to copy an existing Reference Plane. Nope, the Copy tool is disabled.
Now try it with the Furniture template. Ah, Copy is enabled.
Try it in the Casework family template. You'll find Right, Left and Front Reference Planes are forbidden while the Center (Left/Right) and Back Reference Planes are not. That makes sense. Wait, what?
Okay, the rule is copying a Reference Plane working on furniture is okay and doing that in Generic Model templates = BAD? Doing it in the Casework template is, well it depends...
Actually the only rule is that you can expect some reference planes in some templates to be forbidden to copy while others are not affected by such thinking. Ralph Waldo Emerson cautioned us to avoid a foolish consistency. In this case a little more consistency wouldn't be bad.
...I'm not asking for all of them to be forbidden either...if you're wondering.
Now try it with the Furniture template. Ah, Copy is enabled.
Try it in the Casework family template. You'll find Right, Left and Front Reference Planes are forbidden while the Center (Left/Right) and Back Reference Planes are not. That makes sense. Wait, what?
Okay, the rule is copying a Reference Plane working on furniture is okay and doing that in Generic Model templates = BAD? Doing it in the Casework template is, well it depends...
Actually the only rule is that you can expect some reference planes in some templates to be forbidden to copy while others are not affected by such thinking. Ralph Waldo Emerson cautioned us to avoid a foolish consistency. In this case a little more consistency wouldn't be bad.
...I'm not asking for all of them to be forbidden either...if you're wondering.
Subscribe to:
Posts (Atom)


















































